Les Frigoristes

FRIGORISTE KARTING CHALLENGE

[Visiteur - Votre compte]

Index du forum »»  PAC, chauffage, ENR Techniques et technologies »» Double détendeur électronique en parallèle

Double détendeur électronique en parallèle#9947

5Contributeur(s)
VforcedussadelclimatisationFab02agfroid
7 Modérateur(s)
Adrienadelclimatisationdetentemarcel11dmarcosteph87Jireck
Vforce Vforceicon_post
Salut à vous.

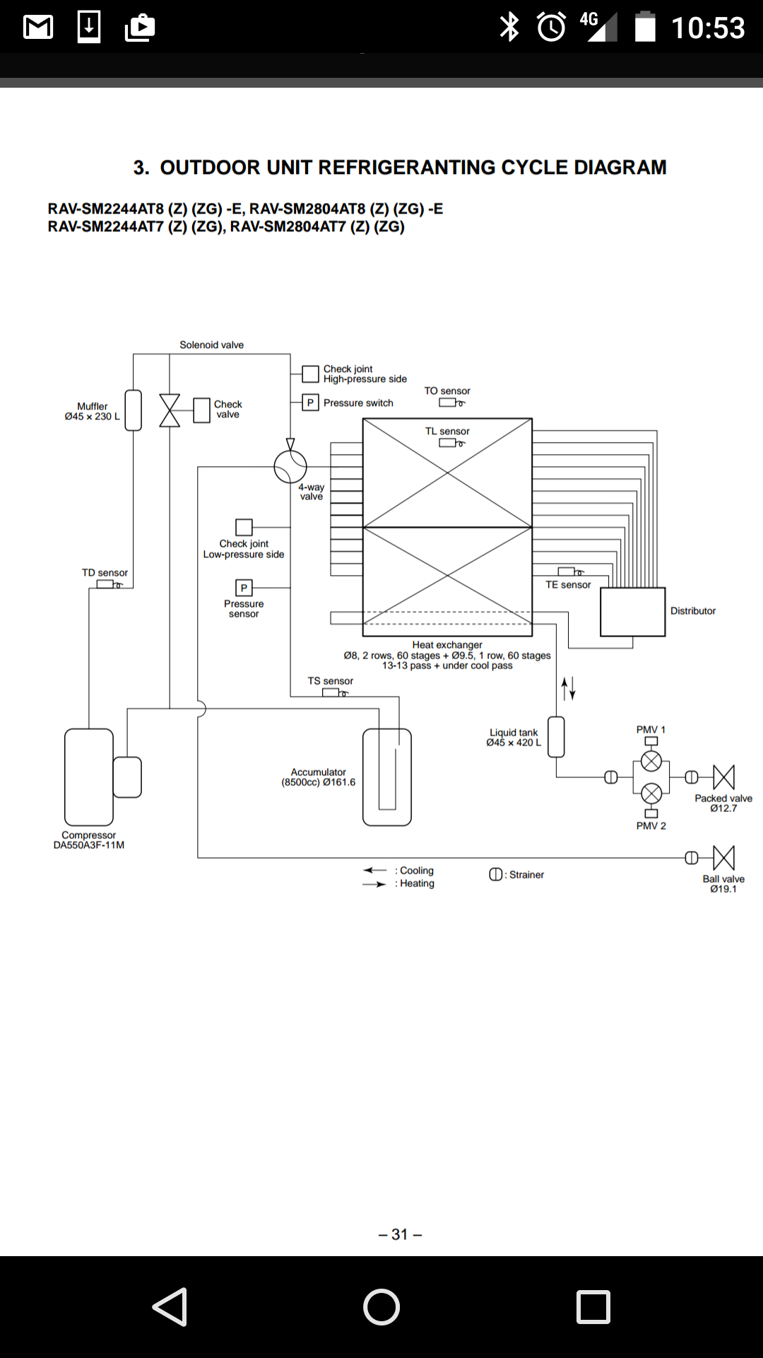
Une nouvelle découverte pour moi c'est l'utilisation de deux détendeur en parallèle dans le groupe extérieur sur du Toshiba.
(Deux unité intérieure en maitre esclave sans détenteur intérieur )
La question c'est pourquoi pas un seul plus puissant sur de l'électronique c'est pas possible ?
Ou il y a un limite de puissance (12Kw sur la machine)

Merci
Une photo du schéma
icon_pieces jointes Pièces jointes 1
duss dussicon_post
SALUT

Peut être qu'ils pensent que la détente sera de meilleur qualité en utilisant le détendeur que dans un sens :#
Donc un pour le mode chauffage et un pour la clim.
Doué en tout, Bon à rien!
Vforce Vforceicon_post
Oui sauf que les deux détende en froid (chaud pas testé)
adelclimatisation adelclimatisationicon_post
salut vforce et bonne soiree a tous
moi cela ne me choquerais pas d'avoir deux detendeur en // si ton CP et un TWIN ROTARY .
en tout cas je le concois ainsi : le twuin rotary ayant une flexibilité un petit chwia plus large que les inverter traditionnels . j'entend par la que un inverter traditionnel a puissance egale a aplication egale , l'inverter plafonnera " sur son palier le plus bas ) bar exemple a 900W
le twin rotary descendra un peu plus bas . donc je me dit que pour ce faire , il faut une precision plus pointu aussi niveau detente .
alors c'est possible que deux detendeur offre une meilleur amplitude et flexibilité en terme de PI . je n'en sais rien , je fait juste des suposetions .
par contre ce qui me chiffone le plus c'est que tu semble penser que ton systeme fonctionne en maitre /esclave . pour moi ce n'est pas le cas , et ca ne peu pas l'etre . quelque soit le detendeur en demande , que ce soit l'un ou l'autre , ou que ce soit les deux a la fois , tes deux K7 recevrons du fluide des lors qu'il y a demande . etant donné qu'ils sont en // et dans le groupe , et que tes deux UI se partage la meme ligne liquide et aspi ( donc refnet ou raccord specifique toshiba) , donc forcement les deux aurons du fluide quelque soit le nombre de detendeur en route .dans ce cas ils ne peuvent etre M/E .
par ailleur il existe bien des detendeur electroniques pour differentes puissance , il y en a qui sont en mesure d'assurer les 12KW sans aucun probleme .
chez daikin j'ai vu des 60 des 80 et des 100 il me semble aussi des 120 .
pour le moment ce qui me parait un peu logique c'est le fait que les deux puisse donner une precision plutot plus elevée qu'avec un seul .
mais je repete que ce n'est que spiculation de ma part ;-)
dans le manuel de service tu n'as pas une explication , meme sommaire ??
cordialement
"si l homme avait une riviere en or,il en espererais une deuxieme"
Vforce Vforceicon_post
Salut adel oui les deux auront la même quantité de fluide quand je dis maître esclave c'est une seule télécommande pour les deux.

Merci pour l'explication du twin rotary, :=! je vais faire des recherches dessus.
Il fait un bruit bizarre au démarrage non ?
Voilà.

Message édité par : Vforce / 11-07-2015 02:35

adelclimatisation adelclimatisationicon_post
re,
bruit bizzard :# mecanique ??? ca me surprend un peu .
de part leurs conceptions , les frotement mecaniques ont ete revu et corrigé par rapport aux cp traditionnels . ils ont justement deminué pour ganger en performances , les vibrations sont amoindris aussi .
tes pressions au redemarrage s'equilibres t elles correctement ?
la tension est elle stable sur ton groupe et sur le cp ?
sur ce coup encore une fois tosh a de l'avance sur ses concurents , et franchement c'est le type d'installe que je mettrai chez moi si je devait en mettre .
d'ailleurs sous la marque media le cp est garantie 7 ans ;-) .
par contre a 75 et 100% il ne fera pas mieu qu'un inverter lambda .
donc un dimensionnement avec une petite reserve serai le bienvenu .
cordialement
"si l homme avait une riviere en or,il en espererais une deuxieme"
Fab02 Fab02icon_post
Bonjour,

Je confirme l'explication de Adelclimatisation concernant les deux détendeurs, c'est pour plus de "flexibilité". Je m'etais posé la même question lors d'une formation. Quand tu regardes le fonctionnement, ils régulent indépendament l'un de l'autre.

Cordialement
agfroid agfroidicon_post
salut

mais c'est un bi split... les détendeurs électroniques ne serviraient ils pas d'evm aussi??
Si oui c'est logique qu'il y en ai un pour chaque poste! ;)

A+
Vforce Vforceicon_post
Salut

Je regarderais plus en détail le bruit au démarrage.
Pour Agfroid c'est deux cassettes mais sur une seule ligne départ du groupe extérieur.

Quand je pense que ma boite ne voit que par Daikin :#

Merci à vous, on en apprend tous les jours fortich
adelclimatisation adelclimatisationicon_post
bonjour a tous ,
salut greg , non il ne font pas office d'EVM pour le pompe down. d'autant plus qu'il partagent la meme ligne liquide . donc du moment qu'il y en a d'ouvert il sera impossible de tirer au vide l'autre UI , elle recevra automatiquement le fluide en meme temps que l'autre UI .

Vforce,ils jurent que par daikin parcequ'ils sont aveuglent et ne voient pas que:
1 daikin c'est de la grosse daube sur certaines series ( de la vrais mer2)
2 qu'il y a bigerment mieux ailleurs ( mitsu, tosh)
3 qu'il y a plus costaud et moins chere ailleur, plus fiable ( hitachi)
4 qu' il vaut mieux prendre du moyen gamme peu importe la marque, que payé des daube daikin tel que les serie RZQ,RR,MX .
5 que chez daikin si tu n es pas un gros client ils te laissent te demerdé avec ton client ,alors memes que c'est sous garantie, et que le problem est bien connus chez eux comme etant une mauvaise conception.
6 que certaines series de compresseurs lachent peu apres la periode de garantie et au mieux apres 5 ou 6 ans . mais il est vrais que ton patrons une fois vendu puis 6 ans plus tardt il doit etre content de facturé un autre cp :-| pour lui . mais ;-) pour toi :-) .
bref vous auriez compris que je suis un de ceux qui ne voyaient et qui ne juraient que par daikin , mais j' ai su m'essuyer les yeux , et malheureusement je suis decu d'eux .
je suis un fan de daikin mais pas pour tout .
ici on parle de partage donc il est claire que lorsque il y a une bonne trouvaille ou une nouvelle technologie que ne puissions la partager .
la en loccurence tosh a fait un joli coup ( je rappelle qu'ils sont les ineventeurs aussi du trois tube sur vrv ).
bon je me suis laché un peu sur daikin , mais c'est le ressentie de celui qui a trop aimé et a ete decu .
dit a ton patron de jeter un coup d'oeil sur les tosh , hitachi , mitsu il sera agreablement surpis techniquement parlant .
hitachi niveau prix je pense qu'ils sont imbattables pour une qualité superieure et une robustesse bien au RDV .

cordialement
"si l homme avait une riviere en or,il en espererais une deuxieme"